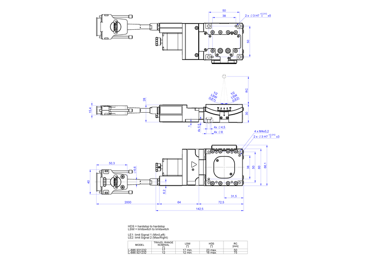
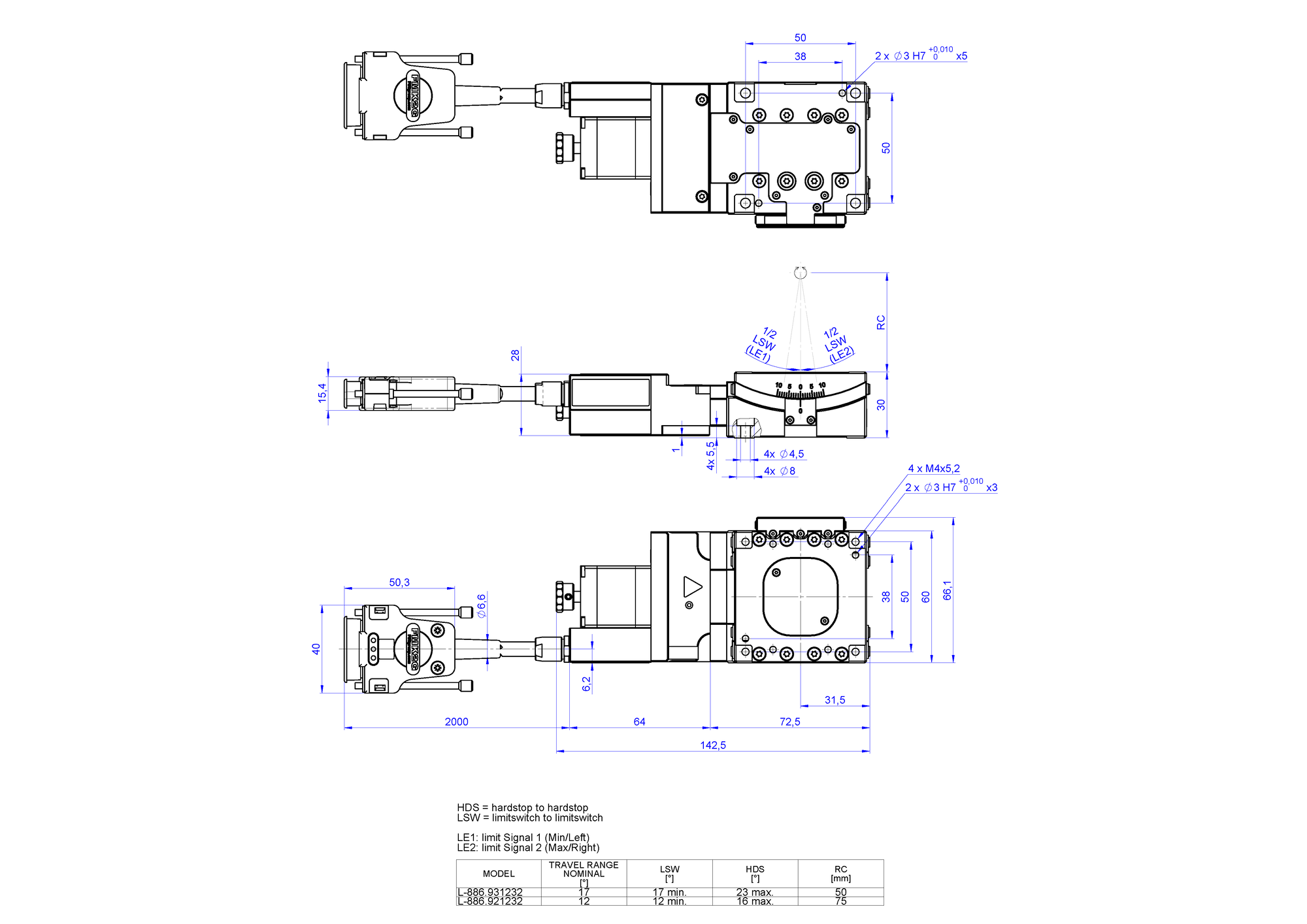
Goniometer with flat contact surface; 12° rotational angle; 75 mm distance pivot point to platform; 2-phase stepper motor; 35 N load capacity; 10°/s maximum angular velocity; ball screw; incremental linear encoder, 0.8305 µrad sensor resolution, rotational, A/B quadrature, RS-422; magnetic limit switches
L-886 Compact and Versatile Goniometer
High-Performance and Cost-Efficient
- Compact design; 60 mm wide, low height
- Rotation range from 12° to 17°
- Load capacity up to 35 N
- Stepper motor
- Linear encoder
- Can be mounted onto L-836
Precision-class goniometer stage
The L-886 spindle-driven goniometer stages are ideally suited for industrial applications requiring high performance in a compact design. Their high performance is powered by high-resolution stepper motors, high-precision four-point bearings, and precision linear encoders.
Combination options
The goniometers can be mounted onto L-836 linear stages. The L-886 models are stackable for 2-axis motion. If an L-886.931232X is mounted onto an L-886.921232[X], the models will have a common center of rotation.
Stepper motor and digital linear encoder
High-resolution 2-phase motors offer performance comparable to that of 5-phase stepper motors, but without the need for expensive drive electronics. Additional linear encoders provide high repeatability during operation.
Application fields
Photonics. Precision micro-assembly. Applications that require dynamic performance and precision, reliable repeatability, and short settling times.
Specifications
Specifications
Motion | L-886.921232 | L-886.921232X | L-886.931232 | L-886.931232X | Tolerance |
---|---|---|---|---|---|
Active axes | θY | θY | θY | θY | |
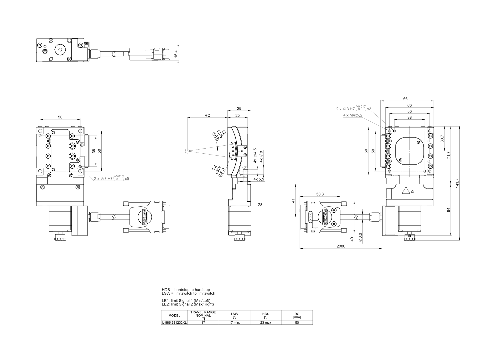
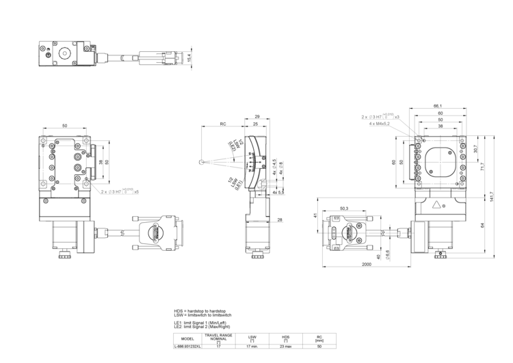
Rotation range in θY | 12 ° | 12 ° | 17 ° | 17 ° | |
Maximum angular velocity in θY, unloaded | 10 °/s | 10 °/s | 10 °/s | 10 °/s | |
Rotation center error | 10 µm | 10 µm | 10 µm | 10 µm | max. |
Positioning | L-886.921232 | L-886.921232X | L-886.931232 | L-886.931232X | Tolerance |
Minimum incremental motion in θY | 5 µrad | 5 µrad | 5 µrad | 5 µrad | typ. |
Bidirectional repeatability in θY | 35 µrad | 35 µrad | 35 µrad | 35 µrad | typ. |
Reference switch | Hall effect, N/C contact, 5 V, NPN | Hall effect, N/C contact, 5 V, NPN | Hall effect, N/C contact, 5 V, NPN | Hall effect, N/C contact, 5 V, NPN | |
Limit switches | Hall effect, N/C contact, 5 V, NPN | Hall effect, N/C contact, 5 V, NPN | Hall effect, N/C contact, 5 V, NPN | Hall effect, N/C contact, 5 V, NPN | |
Integrated sensor | Incremental linear encoder | Incremental linear encoder | Incremental linear encoder | Incremental linear encoder | |
Sensor signal | A/B quadrature, RS-422 | A/B quadrature, RS-422 | A/B quadrature, RS-422 | A/B quadrature, RS-422 | |
Sensor resolution, rotational | 0.8305 µrad | 0.8305 µrad | 1.122 µrad | 1.122 µrad | |
Drive properties | L-886.921232 | L-886.921232X | L-886.931232 | L-886.931232X | Tolerance |
Drive type | 2-phase stepper motor | 2-phase stepper motor | 2-phase stepper motor | 2-phase stepper motor | |
Nominal voltage | 24 V | 24 V | 24 V | 24 V | |
Peak current, RMS | 1.5 A | 1.5 A | 1.5 A | 1.5 A | typ. |
Maximum power consumption | 8 W | 8 W | 8 W | 8 W | |
Motor resolution | 200 Full steps/rev. | 200 Full steps/rev. | 200 Full steps/rev. | 200 Full steps/rev. | |
Drive torque in θY | 2.6 N·m | 2.6 N·m | 1.7 N·m | 1.7 N·m | |
Phase resistance | 1.18 Ω | 1.18 Ω | 1.18 Ω | 1.18 Ω | typ. |
Phase inductance | 0.96 mH | 0.96 mH | 0.96 mH | 0.96 mH | |
Mechanical properties | L-886.921232 | L-886.921232X | L-886.931232 | L-886.931232X | Tolerance |
Permissible push force in Z | 35 N | 35 N | 35 N | 35 N | max. |
Holding torque in θY, passive | 0.8 N·m | 0.8 N·m | 0.55 N·m | 0.55 N·m | |
Distance of pivot point to platform surface | 75 mm | 75 mm | 50 mm | 50 mm | ±1 mm |
Drive screw type | Ball screw | Ball screw | Ball screw | Ball screw | |
Drive screw pitch | 1 mm | 1 mm | 1 mm | 1 mm | |
Guide | Crossed roller guide | Crossed roller guide | Crossed roller guide | Crossed roller guide | |
Overall mass | 730 g | 710 g | 730 g | 710 g | |
Mass without cable | 530 g | 500 g | 530 g | 500 g | |
Material | Aluminum, black anodized; stainless steel | Aluminum, black anodized; stainless steel | Aluminum, black anodized; stainless steel | Aluminum, black anodized; stainless steel | |
Miscellaneous | L-886.921232 | L-886.921232X | L-886.931232 | L-886.931232X | Tolerance |
Operating temperature range | 5 to 40 °C | 5 to 40 °C | 5 to 40 °C | 5 to 40 °C | |
Connector | HD D-sub 26 (m) | HD D-sub 26 (m) | HD D-sub 26 (m) | HD D-sub 26 (m) | |
Recommended controllers/drivers | C-663 G-901 G-910 ACS modular controller | C-663 G-901 G-910 ACS modular controller | C-663 G-901 G-910 ACS modular controller | C-663 G-901 G-910 ACS modular controller |
Note on peak current: Values apply per phase
At PI, technical data is specified at 22 ±3 °C. Unless otherwise stated, the values are for unloaded conditions. Some properties are interdependent. The designation "typ." indicates a statistical average for a property; it does not indicate a guaranteed value for every product supplied. During the final inspection of a product, only selected properties are analyzed, not all. Please note that some product characteristics may deteriorate with increasing operating time.
Ask for a free quote on quantities required, prices, and lead times or describe your desired modification.
Goniometer for stacked systems; 12° rotational angle; 75 mm distance pivot point to platform; 2-phase stepper motor; 35 N load capacity; 10°/s maximum angular velocity; ball screw; incremental linear encoder, 0.8305 µrad sensor resolution, rotational, A/B quadrature, RS-422; magnetic limit switches
Goniometer with flat contact surface; 17° rotational angle; 50 mm distance pivot point to platform; 2-phase stepper motor; 35 N load capacity; 10°/s maximum angular velocity; ball screw; incremental linear encoder, 1.122 µrad sensor resolution, rotational, A/B quadrature, RS-422; magnetic limit switches
Goniometer for stacked systems; 17° rotational angle; 50 mm distance pivot point to platform; 2-phase stepper motor; 35 N load capacity; 10°/s maximum angular velocity; ball screw; incremental linear encoder, 1.122 µrad sensor resolution, rotational, A/B quadrature, RS-422; magnetic limit switches
Come Ricevere un’Offerta
Chiedi ad un Ingegnere!
Ricevere rapidamente una risposta alla tua risposta via email o telefono da un Sales Engineer dalla sede PI più vicina a te.